| 閥門信號控制系統 |
| 【 返 回】 |
| 硬件概述 |
| TST2811信號控制分析系統包括了從傳感器(應變片)、數據采集、分析軟件到一鍵式生成實驗報告,構成了一套完整的閥門測試分析系統。數據采集器配備3個應變片接線端子和1個補償端子;1個開關量輸出端子;1個可控制直流電流信號輸出端子;8個傳感器接線端子。 TST2811信號控制分析系統實現對氣動/電動閥門的性能診斷功能;獲取閥門執行機構的推力(或扭矩)、彈簧的推力(或扭矩)、填料的摩擦力、閥芯和閥桿的重量、閥芯關閉的推力(或扭矩)、流體介質的力;實現對閥門全開和全關位置彈簧預緊力測試、靜態測試和動態測試、電動執行機構的電壓和電流信號變化。 |
![]() |
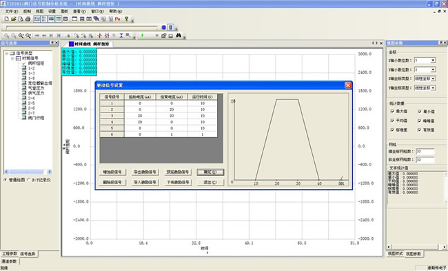
| 軟件概述 |
| TST2811閥門信號控制分析軟件測量電動閥門時通過測量電機的電流、電壓、作用在閥桿上的推力和扭矩,并與標準值進行比較,來判斷閥門的性能是否滿足要求,及早發現隱患。測量氣動閥門時,通過測試氣動調節閥門的驅動機構的調節信號、氣壓和閥門行程之間的關系,來判斷閥門的調節性能是否滿足要求。同時還可以測量到氣動驅動機構的彈簧是否已經疲勞失效。軟件操作簡單靈活,為用戶提供了普通視圖和X-Y記錄儀兩種視圖方式,驅動信號設置和初始化激勵信號設置,行程載荷顯示,右鍵直接查看各種數據直到一鍵式生成測試報告。 |
![]() |
![]() |
![]() |
| 硬件特點: |
| ● 采用高速ARM處理器,配合獨特的軟硬件信號處理技術和硬件隔離技術,系統具有極強的現場抗干擾能力。 ● 大容量的電子硬盤,可存儲多達幾十年的數據,配合功能強大的軟件,用戶可以很輕松的對數據進行管理,可脫離計算機單獨使用。 ● 有傳感器、應變片輸入端子、開關量輸出端子、可控制直流電流信號輸出端子。 ● 每個測點可分別自動平衡。 ● 測點切換采用進口高性能光繼電器和機械繼電器兩種,方便用戶選擇。 ● 內置Q-FAN 溫度控制系統,進一步減少溫度對測量結果的影響。 |
| 軟件特點: |
| ● 顯示方式靈活:時域曲線顯示,可同時顯示多個窗口,每個窗口可顯示8個測點數據。X-Y記錄儀方式繪制滯回曲線。 ● 視圖實時增加數據和減小數據量,方便用戶實時觀測,同時提供單雙光標讀數據功能,并實時計算最大值、最小值等統計值。 ● 數據快速定位功能,對于長時間監測的工程,數據量很大,通過快速定位功能,可以很方便的找到需要的數據。 ● 數據標記,用戶可以對感興趣的數據加上標記,這樣可以在各塊數據間進行靈活定位,節省操作時間。 ● 導入導出平衡結果,方便用戶繼續測試。 ● 可根據用戶要求,將數據導入EXCEL 、TXT文件。 ● 右鍵直接讀取閥門的各項參數。 ● 通道參數設置,可對每個通道進行單獨設置。 ●一鍵式生成測試報告。 |





